А-образна линия

Направете запитване

Защита от СПАМ

Описание

Нашата А-образна линия - модерна и стилна!

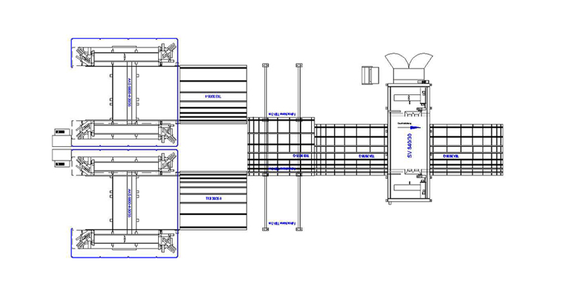
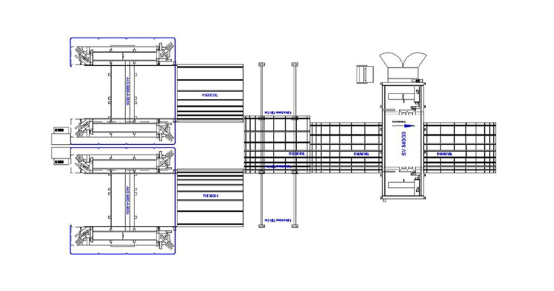
Типичната А-образна линия не е налична само за модно облекло. И ние в URBAN мислим и модерен начин. Но какво означава това за производителя на прозорци? Нашата А-образна линия, показана на схемата, се състои от две заваръчни машини и една почистваща машина за ъгли. Благодарение на мобилната маса за разпределение на елементите, разположена в централна позиция на линията, можем да генерираме висока гъвкавост на цялата линия. Чрез прилагане на други модули, този вид линия може да бъде разширена по всяко време. За тази концепция наистина няма ограничения.

Акценти

  • Висока производителност
  • Ефективна
  • Разширяема / комбинирана с допълнителни модули
  • Един оператор за две заваръчни машини
  • Възможна е работа на три смени 24/7